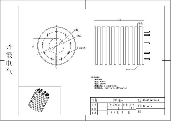
传统滑环9环滑环


传统集电滑环的定制需要以下参数作为基础:
尺寸类:
环数:1-100环均可
外径:最大可做1000mm
内径:根据外径和环数设计
高度:根据环数设计
电气机械类:
电流电压限制:最高通路电压电流,可做高压
铜环宽度:根据电流大小设计
铜环距离:根据电压强度设计
键槽与否:键槽尺寸
固定方式:螺丝,法兰,铁芯等,多种可选
黄冈丹霞电气有限公司
联系人:廖先生
电 话:0713-5106655
传 真:0713-5078510
手 机:18163001553
手 机:18613075047
手 机:18271533530
传 真: 0713-5078510
邮 箱:danxiadianqi@126.com
网 址:danxiadianqi@126.com
地 址:罗田县栗子坳村二组
{aspcms:copyright1}